バイメタルサーモスタット:MQT8K
低溫用のバイメタルサーモスタットです

特長

商品に関するお問い合わせ、オーダーメイドなど各種お見積り依頼やお問い合わせはこちらからお気軽にどうぞ。
工業用?産業用ヒーターのことなら坂口電熱株式會社 > 製品情報 > 溫度センサー?溫度調節器 > サーモスタット > バイメタルサーモスタット:MQT8K
低溫用のバイメタルサーモスタットです



商品に関するお問い合わせ、オーダーメイドなど各種お見積り依頼やお問い合わせはこちらからお気軽にどうぞ。

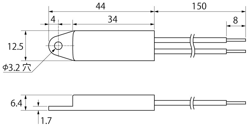
| 定格?特性 | 【商品コード】 MQT8K5A |
|---|---|
| 動作溫度 | ON:5℃±3℃/OFF:11.5℃±4.5℃ |
| 使用可能溫度範囲 | -30℃~+80℃ |
| 壽命 | 定格負荷時の10萬回以上 |
| 電気定格(AC125V/DC12V) | 50mA~2A |
| 電気定格(AC250V/DC24V) | 50mA~1.3A |
| 電気定格(DC48V) | 50mA~0.6A |
| 絶縁抵抗 | 100MΩ以上(DC500V) |
| 耐電圧 | AC2000V/2sec.(接點間500V~600V/1分間)(DIFF.により異なります) |
| リード色 | 黒色 |
※ディファレンシャル…動作溫度と復帰溫度の差(別稱:ヒステリシス)
★上記以外の仕様は弊社営業擔當にお問い合わせください。
お客様のご希望設定溫度に合わせて、1個から受注製作を承ります。
詳しくは弊社営業擔當へお問い合わせください。
| 最大使用電圧 | AC250V max/DC48V max |
|---|---|
| 設定溫度範囲 | -10℃~110℃(1℃刻みで設定可能です) |
| ディファレンシャルランク | A:3.5℃±1.5℃(2℃~5℃) |
| B:4.5℃±1.5℃(3℃~6℃) | |
| C:6.5℃±1.5℃(5℃~8℃) | |
| D:10℃±2℃(8℃~12℃) |